芯片简介
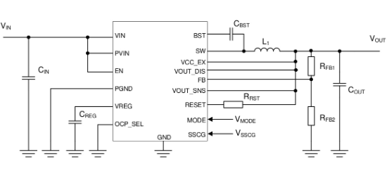
BD9P2x5EFV-C系列是集成功率MOSFET的电流模式同步降压DC/DC转换器,符合AEC-Q100车规认证。采用Nano Pulse ControlTM技术实现50ns最小导通脉冲,支持3.5V至40V宽输入范围,提供3.3V固定输出电压和2A最大输出电流。集成软启动功能、多模式控制、外部同步功能及包括过流保护、热关断、输出过压保护在内的多重保护机制。内部结构包含VREG稳压模块、TSD热保护电路、误差放大器、斜坡发生器及驱动电路,采用电流模式控制架构实现快速瞬态响应。
芯片特点:
车规级
输入3.5V~40V
输出2A
内置MOS管
2.2MHz
使能
软启动



