芯片简介
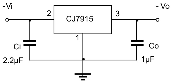
CJ7915是一款三端负电压稳压器,提供-15V输出电压,最大输出电流1.5A,连续总功耗1.25W。具有低噪声特性,适用于需要负电压供电的应用场景。
芯片特点:
输入-35V
输出1.5A
精度±4%
功耗:1.25W
输出-15V
负压

CJ7915是一款三端负电压稳压器,提供-15V输出电压,最大输出电流1.5A,连续总功耗1.25W。具有低噪声特性,适用于需要负电压供电的应用场景。
描述负电压输出,-15V,1.5A
RoHSSMT扩展库
2500个/圆盘
总额¥0
近期成交1单