芯片简介
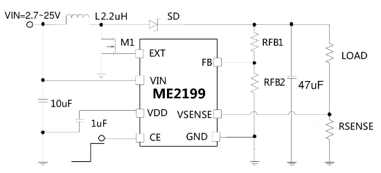
ME2199是一款1MHz升压型DC-DC控制器,支持外接N沟道MOSFET以实现高效率和高输出电流。可通过外部电阻配置恒压或恒流输出模式,恒压模式下FB端电压为1.25V±2%,恒流模式下VSENSE端电压为100mV。内置使能关断、欠压保护和软启动电路,静态消耗电流低至60μA,典型软启动时间2ms,适用于便携设备LED驱动等场景。
芯片特点:
输入2.7V~25V
1MHz
使能
软启动

ME2199是一款1MHz升压型DC-DC控制器,支持外接N沟道MOSFET以实现高效率和高输出电流。可通过外部电阻配置恒压或恒流输出模式,恒压模式下FB端电压为1.25V±2%,恒流模式下VSENSE端电压为100mV。内置使能关断、欠压保护和软启动电路,静态消耗电流低至60μA,典型软启动时间2ms,适用于便携设备LED驱动等场景。
描述ME2199 是一款1MHz 升压型DC-DC 控制器,由于使用外接低导通电阻的N 沟道功率MOSFET 开关管,因此适用于需要高效率、高输出电流的应用电路。
SMT扩展库
3000个/圆盘
总额¥0
近期成交39单