芯片简介
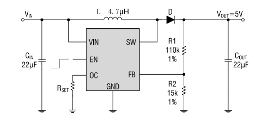
MFP6291LR-G1是一款固定频率、电流模式升压转换器,适用于低功率应用,支持2.2V至16V输入电压,输出可达20V。集成80mΩ功率MOSFET,内置软启动功能以减少输入浪涌电流,1.2MHz开关频率允许使用小型低成本电容和电感。特性包括可调过流保护(0.5A~2.5A)、自动轻载脉冲频率调制模式、过压保护(20V阈值)和热过载保护,效率高达93%。内部结构包含控制电路、MOSFET驱动和保护模块。
芯片特点:
输入2.2V~16V
输出Upto20V
内置MOS
1.2MHz
使能
软启动




