芯片简介
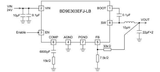
BD9E303EFJ-LBE2是一款同步降压开关稳压器,集成功率MOSFET,采用电流模式控制,支持高速瞬态响应和可调相位补偿。内置过流保护、短路保护、热关断、欠压锁定及软启动功能。内部架构包含电压调节模块、驱动逻辑、误差放大器、振荡器、保护电路等核心模块,适用于工业设备及分布式电源系统。
芯片特点:
输入7V~36V
输出3A
内置MOS管
300kHz
使能
软启动

BD9E303EFJ-LBE2是一款同步降压开关稳压器,集成功率MOSFET,采用电流模式控制,支持高速瞬态响应和可调相位补偿。内置过流保护、短路保护、热关断、欠压锁定及软启动功能。内部架构包含电压调节模块、驱动逻辑、误差放大器、振荡器、保护电路等核心模块,适用于工业设备及分布式电源系统。
描述BD9E303EFJ-LB是一款7.0V至36V输入电压范围,3.0A最大输出电流的同步降压DC-DC转换器。它具有内置的高侧和低侧MOSFET,支持工业应用。该芯片具有过流保护、短路保护、热关断保护和欠压锁定保护等功能。
RoHSSMT扩展库
2500个/圆盘
总额¥0
近期成交28单