芯片简介
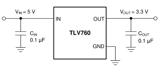
TLV76033DBZR是一款集成线性电压调整器,支持高达30V的输入电压,输出电流100mA,适用于高电源瞬态环境。其内部由误差放大器、基准电压源、功率晶体管和保护电路构成,具有±4%至±5%的输出电压精度、低噪声特性,并集成热保护和电流限制功能。
芯片特点:
输入30V
输出100mA
精度±4%~±5%
输出3.3V

TLV76033DBZR是一款集成线性电压调整器,支持高达30V的输入电压,输出电流100mA,适用于高电源瞬态环境。其内部由误差放大器、基准电压源、功率晶体管和保护电路构成,具有±4%至±5%的输出电压精度、低噪声特性,并集成热保护和电流限制功能。
| 开源项目名称 | 开源项目介绍 |
|---|---|
| C2842719-LDO方案验证板(A版) | LDO验证板A版:3款SOT-23-3、3款SOT-89-3、2款SOT-23-5、2款SOT-23-6、2款SOT-223。 |
描述TLV760 100mA、30V 低压降稳压器
RoHSSMT扩展库
3000个/圆盘
总额¥0
近期成交74单