芯片简介
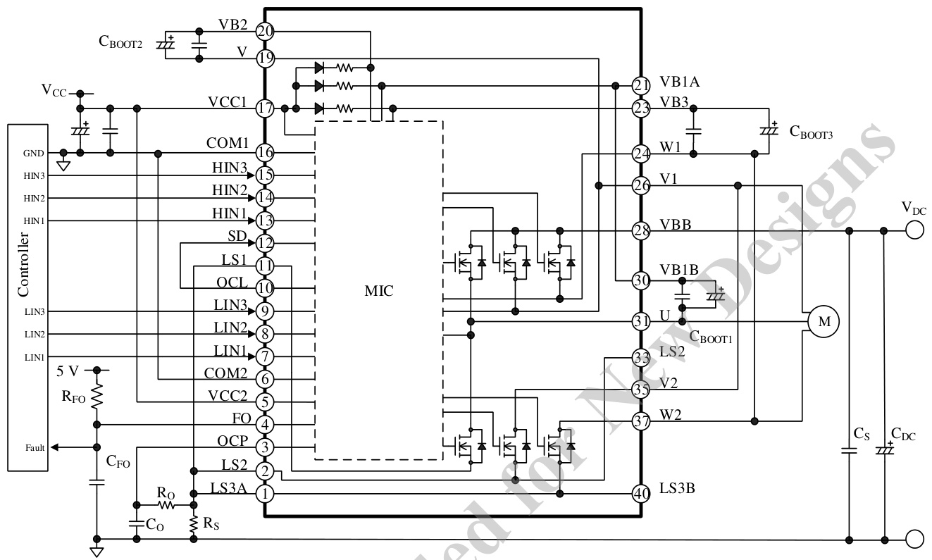
SIM6822MV是高压三相电机驱动器,集成IGBT、预驱动电路和自举电路。支持3-shunt电流检测系统,内置60Ω限流电阻的自举二极管,CMOS兼容逻辑输入,提供故障信号输出和紧急关断功能。包含三相逆变器、保护电路及1500V隔离能力,适用于冰箱压缩机、空调风扇等电机驱动场景。
芯片特点:
最大输入500V
输出5.0A
工作电压300V~400V
驱动电流:5A
方波
逻辑输入
模块

SIM6822MV是高压三相电机驱动器,集成IGBT、预驱动电路和自举电路。支持3-shunt电流检测系统,内置60Ω限流电阻的自举二极管,CMOS兼容逻辑输入,提供故障信号输出和紧急关断功能。包含三相逆变器、保护电路及1500V隔离能力,适用于冰箱压缩机、空调风扇等电机驱动场景。
总额¥0