芯片简介
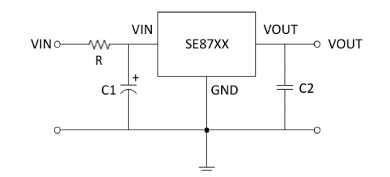
SE87XX系列为功耗敏感应用设计,包含高精度高压输入级和超低功耗偏置电流,构成超低功耗低压差线性稳压器。支持4.5V~40V输入电压、1.8V~5.7V输出电压、≤±1%精度、100mA输出电流,具有60dBPSRR、4.2μA静态电流及软启动功能,短路恢复无过冲。
芯片特点:
输入40V
输出100mA
精度≤±1%
输出1.8V~5.7V
软启动

SE87XX系列为功耗敏感应用设计,包含高精度高压输入级和超低功耗偏置电流,构成超低功耗低压差线性稳压器。支持4.5V~40V输入电压、1.8V~5.7V输出电压、≤±1%精度、100mA输出电流,具有60dBPSRR、4.2μA静态电流及软启动功能,短路恢复无过冲。
| 开源项目名称 | 开源项目介绍 |
|---|---|
| C2842719-LDO方案验证板(A版) | LDO验证板A版:3款SOT-23-3、3款SOT-89-3、2款SOT-23-5、2款SOT-23-6、2款SOT-223。 |
描述SE87XX系列专为对电源敏感的应用而设计。它包含一个精密的高压输入级和一个超低功耗偏置电流分支,可实现超低功耗和低压差线性稳压器。 SE87XX的输入电压范围为VOUT + 1V至40V,静态电流仅为2.6μA,初始精度达1%,并具备软启动功能。上电启动时,输出电压过冲小于100mV。 SE87XX稳压器采用标准的SOT89 - 3L和SOT23 - 3L封装。标准产品无铅且无卤素。
SMT扩展库
1000个/圆盘
总额¥0
近期成交6单