芯片简介
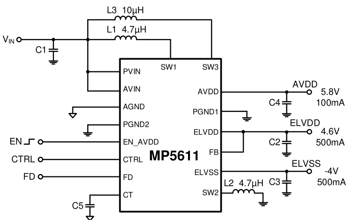
MP5611GQT-Z是一款三重输出DCDC转换器,专为AMOLED显示电源设计,集成升压、反激式升降压和另一升压转换器。支持数字协议控制输出电压,具有独立启动序列、快速放电功能及多种保护机制(UVLO、OCP、OTP等)。采用同步整流方案提升效率,减少外部元件。
芯片特点:
输入2.9V~5.2V
输出500mA/100mA
内置MOS
1.35MHz/1.7MHz
使能
软启动
负压

MP5611GQT-Z是一款三重输出DCDC转换器,专为AMOLED显示电源设计,集成升压、反激式升降压和另一升压转换器。支持数字协议控制输出电压,具有独立启动序列、快速放电功能及多种保护机制(UVLO、OCP、OTP等)。采用同步整流方案提升效率,减少外部元件。
描述DCDC升降压,电源输入7V以内,1A以内(小电流)方案,MP5611是一款三路输出的电源管理芯片,适用于小型AMOLED显示电源。它集成了一个升压转换器用于ELVDD,一个反相式升降压转换器用于ELVSS,另一个升压转换器用于AVDD。支持独立启动序列和丰富的保护功能,包括欠压锁定、过流保护和过温保护。
RoHS
总额¥0