芯片简介
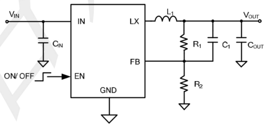
SY8089A是一款高效同步降压调节器,支持2.5V至5.5V输入范围,提供2A连续负载电流。采用固定1MHz开关频率,集成150mΩ和70mΩ低RDS(ON)的上下MOSFET,内部软启动限制浪涌电流,具备逐周期峰值电流限制和快速瞬态响应的即时PWM架构,符合RoHS标准。
芯片特点:
输入2.5V~5.5V
输出2A
内置MOS
1MHz
使能
软启动

SY8089A是一款高效同步降压调节器,支持2.5V至5.5V输入范围,提供2A连续负载电流。采用固定1MHz开关频率,集成150mΩ和70mΩ低RDS(ON)的上下MOSFET,内部软启动限制浪涌电流,具备逐周期峰值电流限制和快速瞬态响应的即时PWM架构,符合RoHS标准。
描述SY8089A是一款高效1MHz 2A同步降压调节器,支持2.5V至5.5V的输入电压范围,可提供2A连续负载电流。该芯片具有内部软启动功能,瞬态响应速度快,效率高达95%,采用SOT23-5封装。
SMT扩展库
3000个/圆盘
总额¥0
近期成交64单