芯片简介
XL2596是150KHz固定频率PWM降压型DC/DC转换器,可驱动3A负载,具有高效率、低纹波和优异的线路/负载调节特性。内置优化功率晶体管、固定频率振荡器和内部频率补偿,支持0%-100%线性占空比调节。功能框架包含控制电路、驱动电路、过流保护、热关断及双电流限制机制,支持TTL电平关闭功能。
芯片特点:
输入4.5V~40V
输出3A
内置MOS
150KHz
使能
软启动

XL2596是150KHz固定频率PWM降压型DC/DC转换器,可驱动3A负载,具有高效率、低纹波和优异的线路/负载调节特性。内置优化功率晶体管、固定频率振荡器和内部频率补偿,支持0%-100%线性占空比调节。功能框架包含控制电路、驱动电路、过流保护、热关断及双电流限制机制,支持TTL电平关闭功能。
| 规格书 | ||
| 参考设计 | ||
描述DCDC降压,电源输入30V以上,1A~3A(中电流)方案,3.3V
SMT扩展库
50个/管
总额¥0
近期成交2单
描述DCDC降压,电源输入30V以上,1A~3A(中电流)方案,12V
SMT扩展库
50个/管
总额¥0
近期成交9单
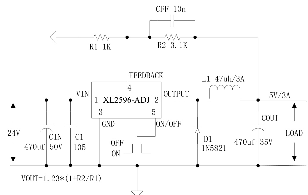
描述DCDC降压,电源输入30V以上,1A~3A(中电流)方案,5.0V
SMT扩展库
50个/管
总额¥0
近期成交15单
描述DCDC降压,电源输入30V以上,1A~3A(中电流)方案,ADJ
SMT扩展库
50个/管
总额¥0
近期成交10单