芯片简介
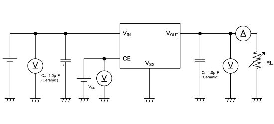
XC6204B332MR是一款高精度、低噪声的正压LDO稳压器,采用CMOS工艺制造,具有高纹波抑制和低压差特性。内部包含基准电压源、误差校正电路、电流限制器、相位补偿电路和驱动晶体管,支持低ESR陶瓷电容以增强输出稳定性,优异的瞬态响应可应对负载波动。CE引脚提供开关控制功能以降低待机功耗,适用于便携式电子设备和多电源系统。
芯片特点:
输入12V
输出150mA
精度±2%
功耗:70μA
输出3.3V
使能

XC6204B332MR是一款高精度、低噪声的正压LDO稳压器,采用CMOS工艺制造,具有高纹波抑制和低压差特性。内部包含基准电压源、误差校正电路、电流限制器、相位补偿电路和驱动晶体管,支持低ESR陶瓷电容以增强输出稳定性,优异的瞬态响应可应对负载波动。CE引脚提供开关控制功能以降低待机功耗,适用于便携式电子设备和多电源系统。
| 开源项目名称 | 开源项目介绍 |
|---|---|
| C2842719-LDO方案验证板(A版) | LDO验证板A版:3款SOT-23-3、3款SOT-89-3、2款SOT-23-5、2款SOT-23-6、2款SOT-223。 |
描述XC6204/XC6205系列是采用CMOS工艺制造的高精度、低噪声正电压LDO稳压器。该系列产品具有高纹波抑制比和低压差特性,由标准电压源、误差校正电路、电流限制器、相位补偿电路以及驱动晶体管组成。输出电压可在0.9V至6.0V范围内以0.05V为步进进行选择
RoHSSMT扩展库
3000个/圆盘
总额¥0
近期成交58单