芯片简介
MIC39100-2.5WS是1A低压差线性稳压器,采用SOT-223封装,典型压差410mV@1A,输入范围2.25V-16V。具备±1%输出电压精度,低静态电流,集成过流/过热保护及反向电池保护。内部包含误差放大器、基准电压源、PNP功率晶体管和保护电路,支持快速瞬态响应,适用于PC扩展卡、电池供电系统及低压微控制器。
芯片特点:
输入16V
输出1A
精度±1%
功耗:11mA
输出2.5V
使能

MIC39100-2.5WS是1A低压差线性稳压器,采用SOT-223封装,典型压差410mV@1A,输入范围2.25V-16V。具备±1%输出电压精度,低静态电流,集成过流/过热保护及反向电池保护。内部包含误差放大器、基准电压源、PNP功率晶体管和保护电路,支持快速瞬态响应,适用于PC扩展卡、电池供电系统及低压微控制器。
| 开源项目名称 | 开源项目介绍 |
|---|---|
| C2842719-LDO方案验证板(A版) | LDO验证板A版:3款SOT-23-3、3款SOT-89-3、2款SOT-23-5、2款SOT-23-6、2款SOT-223。 |
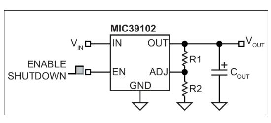
描述是一款1A低压差线性稳压器,可从极小的封装中提供低电压、高电流输出。具有极低的压差(1A时典型值为410 mV)和低接地电流(1A时典型值为11 mA)。适用于需要从标准5V转换到3.3V、3.3V转换到2.5V或2.5V转换到1.8V的PC扩展卡。在所有工作条件下,保证最大压差电压为630 mV,允许从低至3.13V的电源提供2.5V电压,从低至2.43V的电源提供1.8V电压。具备过流限制、热关断和反接电池保护功能。MIC39100/1提供5.0V、3.3V、2.5V和1.8V的固定电压,MIC39102的输出电压可调节至1.24V。
RoHSSMT扩展库
78个/管
总额¥0
总额¥0
总额¥0
总额¥0