芯片简介
该芯片是一款宽输入范围、高效率同步降压转换器,集成110mΩ同步MOSFET并采用电流模式PWM控制。特性包括3.6V至18V输入范围、3A输出能力、340kHz开关频率、轻载省电模式及软启动功能。内部组成包含误差放大器、PWM比较器、同步整流MOSFET及补偿网络,支持逻辑控制关断和热保护机制。
芯片特点:
输入3.6V~18V
输出3A
内置MOS
340kHz
使能
软启动

该芯片是一款宽输入范围、高效率同步降压转换器,集成110mΩ同步MOSFET并采用电流模式PWM控制。特性包括3.6V至18V输入范围、3A输出能力、340kHz开关频率、轻载省电模式及软启动功能。内部组成包含误差放大器、PWM比较器、同步整流MOSFET及补偿网络,支持逻辑控制关断和热保护机制。
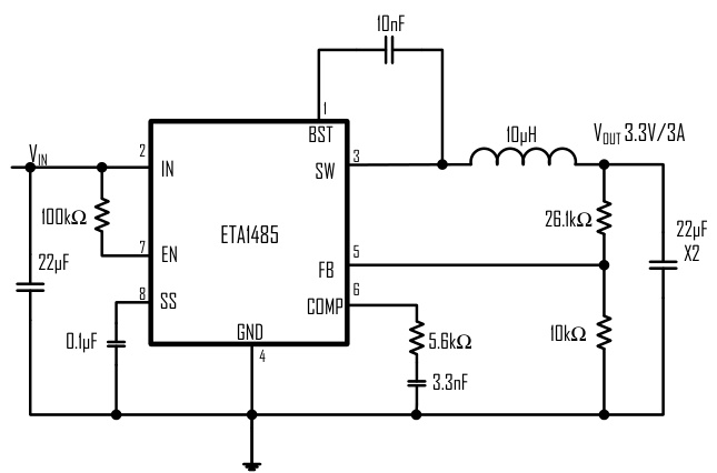
描述ETA1485是一款宽输入范围、高效率的DC-DC降压开关调节器,能够提供高达3A的输出电流。采用电流模式PWM控制,内置同步整流器,无需外部肖特基二极管,适用于LCD电视、笔记本电脑和FPGA电源供应等应用。
RoHSSMT扩展库
4000个/圆盘
总额¥0
近期成交7单