芯片简介
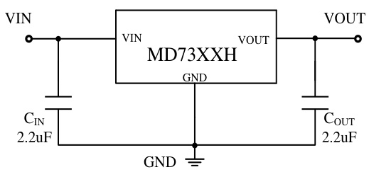
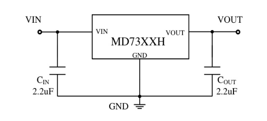
MD73XXH系列是使用CMOS技术开发的高耐压、低功耗、低压差线性稳压器,内置低通态电阻晶体管,输入输出压差低,最高工作电压40V,适用于高耐压应用。内部由误差放大器、基准电压源、P沟道MOSFET和保护电路构成,具有±3%的输出电压精度,2.2uA静态电流,输出限流保护,低输出电压温漂。
芯片特点:
输入40V
输出250mA
精度±3%
输出3.3V

MD73XXH系列是使用CMOS技术开发的高耐压、低功耗、低压差线性稳压器,内置低通态电阻晶体管,输入输出压差低,最高工作电压40V,适用于高耐压应用。内部由误差放大器、基准电压源、P沟道MOSFET和保护电路构成,具有±3%的输出电压精度,2.2uA静态电流,输出限流保护,低输出电压温漂。
| 开源项目名称 | 开源项目介绍 |
|---|---|
| C2842719-LDO方案验证板(A版) | LDO验证板A版:3款SOT-23-3、3款SOT-89-3、2款SOT-23-5、2款SOT-23-6、2款SOT-223。 |
描述MD73XXH系列是使用CMOS技术开发的高耐压、低功耗、低压差降压稳压电路。由于内置有低通态电阻晶体管,因而输入输出压差低,最高工作电压可达40V,适合需要较高耐压的应用电路。
SMT扩展库
1000个/圆盘
总额¥0