芯片简介
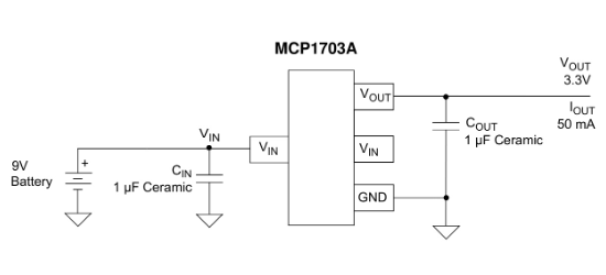
MCP1703A是一款改进型低静态电流LDO稳压器,支持2.7V至16V输入电压范围,提供250mA输出电流。其核心由误差放大器、基准电压源、P沟道功率晶体管和保护电路组成,具备±0.4%典型输出电压精度、低至625mV压差,并采用1μF陶瓷电容即可稳定工作。特殊功能包括短路保护和过温保护,适用于电池供电设备及低功耗场景。
芯片特点:
输入16V
输出250mA
精度±3%
功耗:2.0μA
输出1.2V~5.5V

MCP1703A是一款改进型低静态电流LDO稳压器,支持2.7V至16V输入电压范围,提供250mA输出电流。其核心由误差放大器、基准电压源、P沟道功率晶体管和保护电路组成,具备±0.4%典型输出电压精度、低至625mV压差,并采用1μF陶瓷电容即可稳定工作。特殊功能包括短路保护和过温保护,适用于电池供电设备及低功耗场景。
| 开源项目名称 | 开源项目介绍 |
|---|---|
| C2842719-LDO方案验证板(A版) | LDO验证板A版:3款SOT-23-3、3款SOT-89-3、2款SOT-23-5、2款SOT-23-6、2款SOT-223。 |
RoHSSMT扩展库
78个/管
总额¥0