芯片简介
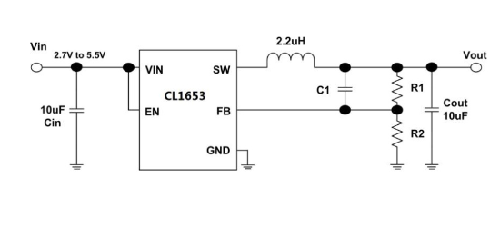
CL1653CA系列是一款高效高频同步降压DC-DC转换器,支持3A连续输出电流,输入电压范围2.7V至5.5V。采用1.2MHz固定开关频率,内置低RDS(ON)同步整流MOS管,显著提升效率并降低外围元件需求。集成PWM电流模式控制、软启动、欠压保护及热关断功能,具备EN使能控制和输出短路保护。
芯片特点:
输入2.7~5.5V
输出3A
内置MOS
1.2MHz
使能
软启动

CL1653CA系列是一款高效高频同步降压DC-DC转换器,支持3A连续输出电流,输入电压范围2.7V至5.5V。采用1.2MHz固定开关频率,内置低RDS(ON)同步整流MOS管,显著提升效率并降低外围元件需求。集成PWM电流模式控制、软启动、欠压保护及热关断功能,具备EN使能控制和输出短路保护。
描述CL1653CA系列是一款高效、高频的同步降压DC-DC转换器,最高可带载3A连续电流。可在2.7V到5.5V的宽输入电源电压下工作。内部的主开关和同步开关管的RDS(ON)非常小,从而传导损耗很小,效率很高。该款芯片工作开关频率为1.2MHz固定工作频率,输出纹波很小,同时只需要很小的外围电感和电容。
RoHSSMT扩展库
3000个/圆盘
总额¥0
近期成交15单