芯片简介
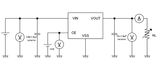
XC6219系列是高精度低噪声CMOSLDO稳压器,支持2.0V~6.0V输入范围,提供快速启动和低压差特性。内部集成基准电压源、误差放大器、驱动晶体管、限流器和相位补偿器,支持低ESR陶瓷电容,通过CE引脚实现开关控制,适用于移动设备供电。
芯片特点:
输入7V
输出240mA
精度±2%
功耗:25μA
输出2.5V
使能

XC6219系列是高精度低噪声CMOSLDO稳压器,支持2.0V~6.0V输入范围,提供快速启动和低压差特性。内部集成基准电压源、误差放大器、驱动晶体管、限流器和相位补偿器,支持低ESR陶瓷电容,通过CE引脚实现开关控制,适用于移动设备供电。
| 开源项目名称 | 开源项目介绍 |
|---|---|
| C2842719-LDO方案验证板(A版) | LDO验证板A版:3款SOT-23-3、3款SOT-89-3、2款SOT-23-5、2款SOT-23-6、2款SOT-223。 |
描述高精度、低噪声的CMOS LDO电压调节器。具有低输出噪声、高纹波抑制比、低压差和极快的开启时间,适用于现代前沿手机。内部包括参考电压源、误差放大器、驱动晶体管、限流器和相位补偿器。限流器的折返电路还可作为输出限流器和输出引脚的短路保护。输出电压通过激光微调设置,可在0.9V至5.0V范围内以50mV的步长选择。还与低ESR陶瓷电容器完全兼容,可降低成本并提高输出稳定性。即使在频繁的负载波动期间,由于在宽频率范围内具有出色的瞬态响应性能和高PSRR,也能保持高水平的输出稳定性。CE功能可关闭调节器输出,从而大大降低功耗。
RoHSSMT扩展库
3000个/圆盘
总额¥0
近期成交6单