芯片简介
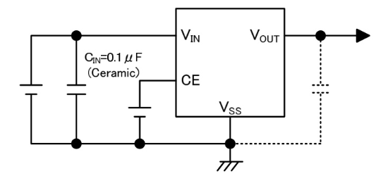
XC6504系列是一款高精度CMOS电压调节器,具有0.6μA超低静态电流,支持1.4V-6.0V输入电压范围,输出电压1.1V-5.0V可调。内部集成基准电压源、误差放大器、驱动晶体管、过流保护和相位补偿电路,支持CE使能控制和输出电容自动放电功能,无需外部电容即可稳定工作。
芯片特点:
输入6.0V
输出150mA
精度±1%
输出3.3V
使能

XC6504系列是一款高精度CMOS电压调节器,具有0.6μA超低静态电流,支持1.4V-6.0V输入电压范围,输出电压1.1V-5.0V可调。内部集成基准电压源、误差放大器、驱动晶体管、过流保护和相位补偿电路,支持CE使能控制和输出电容自动放电功能,无需外部电容即可稳定工作。
| 开源项目名称 | 开源项目介绍 |
|---|---|
| C2842719-LDO方案验证板(A版) | LDO验证板A版:3款SOT-23-3、3款SOT-89-3、2款SOT-23-5、2款SOT-23-6、2款SOT-223。 |
描述0.6μA 超低消耗电流、超小型 电压稳压器 (对应无C
RoHS
总额¥0