芯片简介
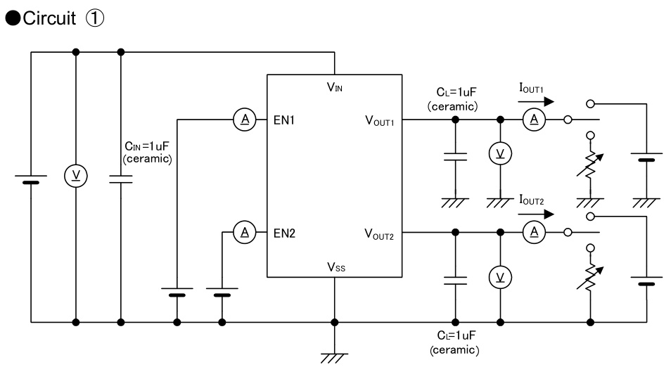
XC6420AB19MR-G是一款双通道CMOSLDO稳压器,支持2通道独立150mA输出,具有高精度、高速响应、低噪声和低静态功耗特性。内部由误差放大器、基准电压源、P沟道MOSFET、电流限制电路和短路保护电路组成,可通过EN引脚独立控制各通道开关,并内置CL自动放电功能以快速释放输出电容电荷。
芯片特点:
输入7.0V
输出150mA
精度±2%
功耗:55μA/ch
输出1.2V~3.6V
使能

XC6420AB19MR-G是一款双通道CMOSLDO稳压器,支持2通道独立150mA输出,具有高精度、高速响应、低噪声和低静态功耗特性。内部由误差放大器、基准电压源、P沟道MOSFET、电流限制电路和短路保护电路组成,可通过EN引脚独立控制各通道开关,并内置CL自动放电功能以快速释放输出电容电荷。
| 开源项目名称 | 开源项目介绍 |
|---|---|
| C2842719-LDO方案验证板(A版) | LDO验证板A版:3款SOT-23-3、3款SOT-89-3、2款SOT-23-5、2款SOT-23-6、2款SOT-223。 |
RoHSSMT扩展库
3000个/圆盘
总额¥0