芯片简介
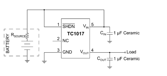
TC1017是一款高精度CMOS低压差稳压器,专为电池供电系统设计,具有极低静态电流和低噪声特性。内部由P沟道MOSFET、误差放大器、基准电压源、过流保护及过热保护电路组成,支持快速唤醒和陶瓷电容稳定性,适用于便携式设备。
芯片特点:
输入6.0V
输出150mA
精度±0.5%
功耗:53μA
输出3.3V
使能

TC1017是一款高精度CMOS低压差稳压器,专为电池供电系统设计,具有极低静态电流和低噪声特性。内部由P沟道MOSFET、误差放大器、基准电压源、过流保护及过热保护电路组成,支持快速唤醒和陶瓷电容稳定性,适用于便携式设备。
| 开源项目名称 | 开源项目介绍 |
|---|---|
| C2842719-LDO方案验证板(A版) | LDO验证板A版:3款SOT-23-3、3款SOT-89-3、2款SOT-23-5、2款SOT-23-6、2款SOT-223。 |
描述是高精度CMOS升级产品,适用于双极低压差稳压器(LDO)。采用SC-70或SOT-23封装,SC-70封装比流行的SOT-23封装占用面积减少50%,并提供两种引脚排列,便于电路板布局。专为电池供电系统开发,CMOS结构在整个150mA工作负载范围内仅消耗53μA典型电源电流,比双极LDO的静态工作电流低达60倍。在整个输入电压和输出电流范围内,使用低阻值(1μF)陶瓷或钽电容即可稳定工作,有助于减少电路板空间并节省成本
3000个/圆盘
总额¥0
近期成交3单