芯片简介
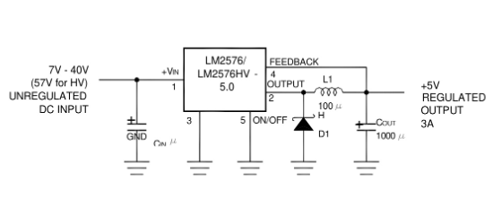
LM2576系列是单片集成的降压型开关稳压器,提供3A输出电流,支持12V固定电压输出。具有宽输入电压范围(15V至40V),仅需4个外部元件。内置固定频率振荡器(52kHz)和频率补偿,具备高效率和优异的线性/负载调整率。特性包括外部关断功能(50µA待机电流)、周期电流限制、热关断保护,并支持标准电感简化设计。
芯片特点:
输入15V~40V
输出3A
内置MOS
52kHz
使能

LM2576系列是单片集成的降压型开关稳压器,提供3A输出电流,支持12V固定电压输出。具有宽输入电压范围(15V至40V),仅需4个外部元件。内置固定频率振荡器(52kHz)和频率补偿,具备高效率和优异的线性/负载调整率。特性包括外部关断功能(50µA待机电流)、周期电流限制、热关断保护,并支持标准电感简化设计。
| 开源项目名称 | 开源项目介绍 |
|---|---|
| DCDC-TO263-5封装方案验证板 | PCB适用于TO263-5封装的DCDC降压芯片,由于包含型号较多,不同型号之间的参数存在差异,所以部分元件选用时需要视实际情况决定。 |
RoHSSMT扩展库
500个/圆盘
总额¥0
近期成交83单
描述PCB空板 PCB适用于TO263-5封装的DCDC降压芯片,由于包含型号较多,不同型号之间的参数存在差异,所以部分元件选用时需要视实际情况决定。
1个/袋
总额¥0
近期成交2单