芯片简介
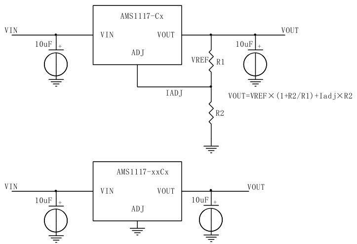
AMS1117-3.3V是一款低压差线性稳压器,支持2.5V至12.0V输入电压范围,提供800mA输出电流。包含固定输出型和可调输出型。内部由1.25V带隙基准、误差放大器、P沟道功率晶体管构成,具有±2%输出电压精度和±50mV精度。功能框架包括短路保护、热关断保护、输出电流限制,支持低至1300mV的压差电压。
芯片特点:
输入12V
输出0.8A
精度±2%/±50mV
输出3.3V/1.25V-5V

AMS1117-3.3V是一款低压差线性稳压器,支持2.5V至12.0V输入电压范围,提供800mA输出电流。包含固定输出型和可调输出型。内部由1.25V带隙基准、误差放大器、P沟道功率晶体管构成,具有±2%输出电压精度和±50mV精度。功能框架包括短路保护、热关断保护、输出电流限制,支持低至1300mV的压差电压。
| 开源项目名称 | 开源项目介绍 |
|---|---|
| C2842719-LDO方案验证板(A版) | LDO验证板A版:3款SOT-23-3、3款SOT-89-3、2款SOT-23-5、2款SOT-23-6、2款SOT-223。 |
描述AMS1117是一款低压差线性稳压器,其输入电压范围为+2.5V至+12.0V,输出电流可达800mA。AMS1117有两种类型,即固定输出电压型和可调输出电压型。固定输出电压型的内部预设修整电压为1.8V、2.5V或3.3V
RoHSSMT扩展库
2500个/圆盘
总额¥0
近期成交21单