芯片简介
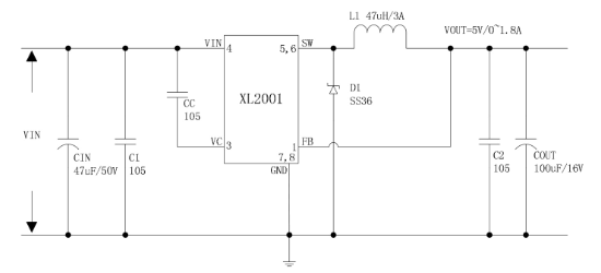
XL2001E1是一款150KHz固定频率PWM降压DC/DC转换器,支持8V至45V宽输入电压范围,固定5V输出电压,最大输出电流1.8A。具备内部优化功率MOSFET,效率高达92%,内置输出短路保护、热关断及电流限制功能,采用SOP8L封装。
芯片特点:
输入8V~45V
输出1.8A
内置MOS
150KHz

XL2001E1是一款150KHz固定频率PWM降压DC/DC转换器,支持8V至45V宽输入电压范围,固定5V输出电压,最大输出电流1.8A。具备内部优化功率MOSFET,效率高达92%,内置输出短路保护、热关断及电流限制功能,采用SOP8L封装。
描述DCDC降压,电源输入30V以上,1A~3A(中电流)方案,XL2001是一款150KHz固定频率的PWM降压DC-DC转换器,输入电压范围为8V到45V,输出电压为5V,最大输出电流为1.8A。该芯片具有内部优化的功率MOSFET,高效率,低纹波,优秀的线路和负载调节能力,内置短路保护和过温保护功能。
RoHSSMT扩展库
4000个/圆盘
总额¥0
近期成交36单