芯片简介
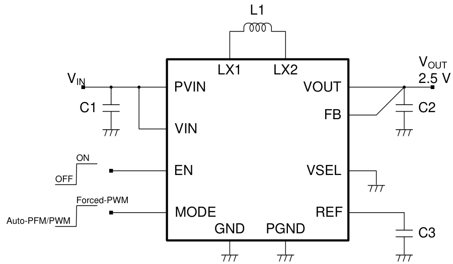
BD83070GWL-E2是一款同步降压-升压DC/DC转换器,支持2.5V或3.3V固定输出,输入电压范围为2.0V~5.5V,最大输出电流1A。采用自动PFM/PWM切换控制,轻载时切换至脉冲频率调制以降低功耗,效率高达95%。内置过电压、过电流及热保护功能,支持使能控制和模式选择。
芯片特点:
输入2V~5.5V
输出1A
内置MOS管
1.5MHz
使能

BD83070GWL-E2是一款同步降压-升压DC/DC转换器,支持2.5V或3.3V固定输出,输入电压范围为2.0V~5.5V,最大输出电流1A。采用自动PFM/PWM切换控制,轻载时切换至脉冲频率调制以降低功耗,效率高达95%。内置过电压、过电流及热保护功能,支持使能控制和模式选择。
描述BD83070GWL是一款同步升降压DC-DC转换器,支持2.0V至5.5V的输入电压范围,提供2.5V或3.3V的输出电压,最大输出电流为1A。它具有自动PFM/PWM模式切换功能,开关频率为1.5MHz,静态电流为2.8μA。适用于单节锂离子电池或其他2.0V至5.5V的输入电源。
RoHSSMT扩展库
3000个/圆盘
总额¥0
近期成交7单