芯片简介
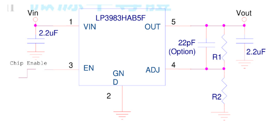
LP3983HAB5F是一款专为便携式RF和无线应用设计的超低噪声CMOSLDO稳压器,具有2.2V至6V的输入电压范围和600mA输出电流。其特性包括超低噪声、420mV@600mA的低压差、高PSRR、关机时小于0.01μA的待机电流以及快速瞬态响应。内部结构包含误差放大器、基准电压源、功率晶体管和过流及热保护电路,适用于需要高精度供电的电池驱动系统和无线设备。
芯片特点:
输入6.5V
输出600mA
精度±1.6%
功耗:500mW
输出1.2V~4.5V
使能

LP3983HAB5F是一款专为便携式RF和无线应用设计的超低噪声CMOSLDO稳压器,具有2.2V至6V的输入电压范围和600mA输出电流。其特性包括超低噪声、420mV@600mA的低压差、高PSRR、关机时小于0.01μA的待机电流以及快速瞬态响应。内部结构包含误差放大器、基准电压源、功率晶体管和过流及热保护电路,适用于需要高精度供电的电池驱动系统和无线设备。
| 开源项目名称 | 开源项目介绍 |
|---|---|
| C2842719-LDO方案验证板(A版) | LDO验证板A版:3款SOT-23-3、3款SOT-89-3、2款SOT-23-5、2款SOT-23-6、2款SOT-223。 |
描述LP3983H专为对性能和空间有严苛要求的便携式射频和无线应用而设计。LP3983H针对电池供电系统进行了性能优化,可实现超低噪声和低静态电流。在压差状态下,稳压器接地电流仅略有增加,进一步延长了电池使用寿命
SMT扩展库
3000个/圆盘
总额¥0
近期成交20单