芯片简介
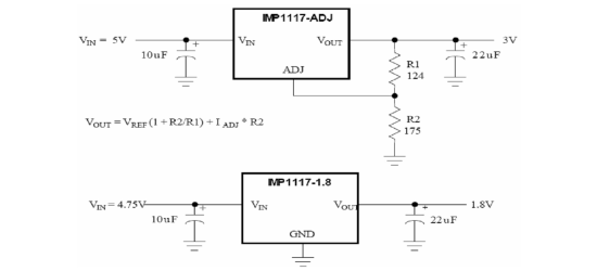
IMP1117AS18X/T是一款低漏失三端稳压器,提供1A输出电流能力,优化用于低电压场景,具有片上热保护和静态电流流入负载的设计以提高效率。该芯片由误差放大器、基准电压源、功率晶体管和保护电路构成,支持固定1.8V输出电压,负载调整率典型值为0.2%,专用于SCSI总线主动终端等存储设备。
芯片特点:
输入18V
输出1A
精度±2%
输出1.8V

IMP1117AS18X/T是一款低漏失三端稳压器,提供1A输出电流能力,优化用于低电压场景,具有片上热保护和静态电流流入负载的设计以提高效率。该芯片由误差放大器、基准电压源、功率晶体管和保护电路构成,支持固定1.8V输出电压,负载调整率典型值为0.2%,专用于SCSI总线主动终端等存储设备。
| 开源项目名称 | 开源项目介绍 |
|---|---|
| C2842719-LDO方案验证板(A版) | LDO验证板A版:3款SOT-23-3、3款SOT-89-3、2款SOT-23-5、2款SOT-23-6、2款SOT-223。 |