芯片简介
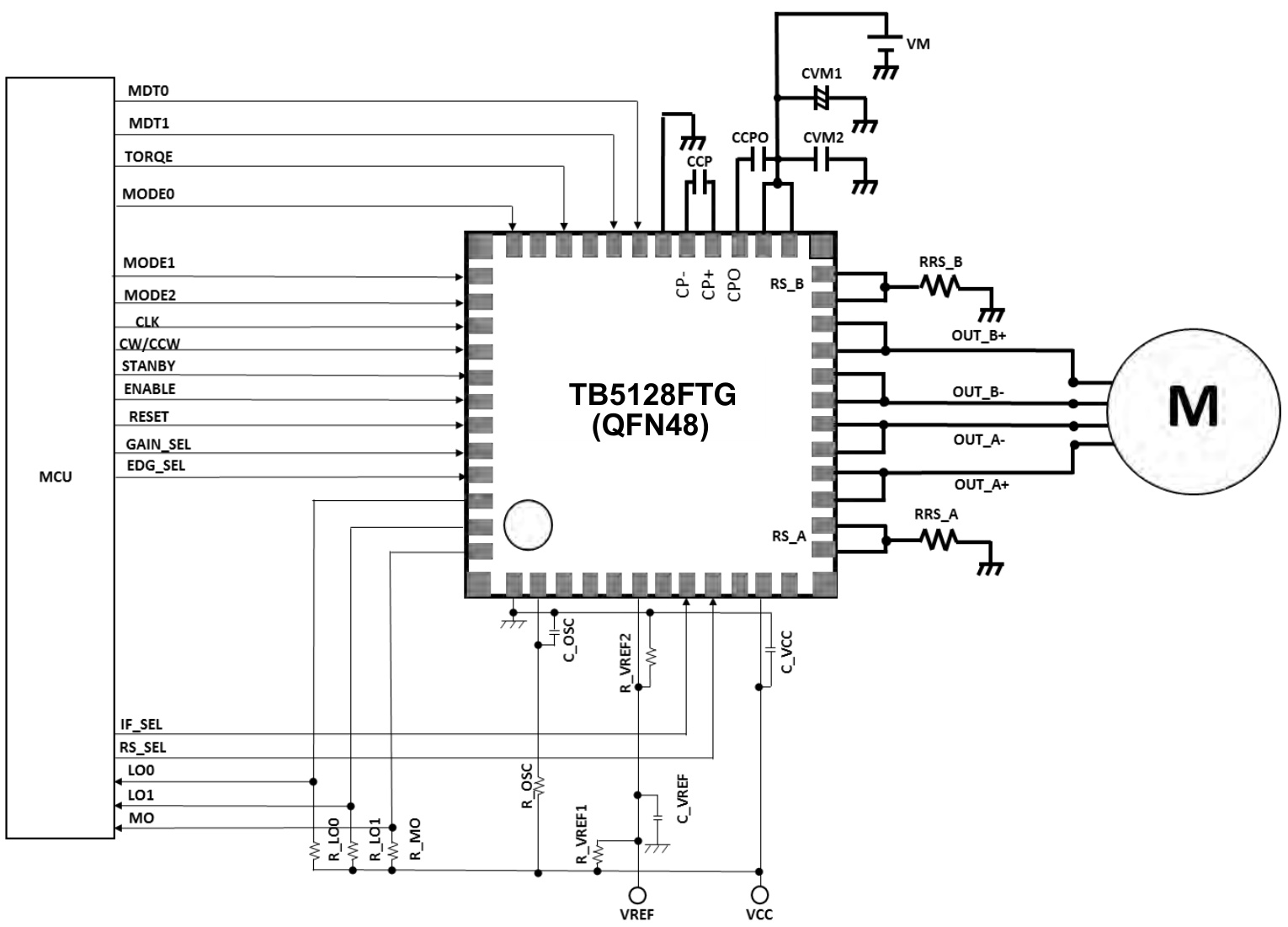
TB5128FTG是一款双极步进电机驱动器,采用斩波控制和BiCD工艺,支持CLK输入和串行控制。特性包括PWM恒流驱动、低导通电阻MOSFET输出、多种步进模式、高级动态混合衰减、内置无感电阻电流检测系统、多错误检测功能及错误标志输出。功能框架由PWM控制器、H桥驱动电路、电流检测模块和保护电路组成。
芯片特点:
输入44V
输出5.0A
电流检测

TB5128FTG是一款双极步进电机驱动器,采用斩波控制和BiCD工艺,支持CLK输入和串行控制。特性包括PWM恒流驱动、低导通电阻MOSFET输出、多种步进模式、高级动态混合衰减、内置无感电阻电流检测系统、多错误检测功能及错误标志输出。功能框架由PWM控制器、H桥驱动电路、电流检测模块和保护电路组成。
描述TB5128是一款采用斩波器的两相双极步进电机驱动器,内置时钟解码器。采用BiCD工艺制造,输出额定值为50 V/5.0 A(电机电源电压μ = 44 V)。
SMT扩展库
4000个/圆盘
总额¥0
近期成交16单