从新能源汽车动力核心,到储能电站稳定运行,再到消费电子产品续航保障,BMS(电池管理系统)的性能直接决定了整个系统的安全和效率。近年来全球国内外大厂纷纷推出了各具特色的BMS解决方案,本文选取了知名电源芯片原厂MPS(芯源)的前沿BMS方案为大家进行详细讲解!

MPS电池管理系统解决方案路线图,图源MPS
依托深厚的技术积累和出色的产品矩阵,MPS可为客户提供高精度、高集成度、小体积、高效率主动均衡的MPS BMS方案。
01、新一代高串数AFE
AFE作为BMS的核心监测部件,方案中MPS采用了新一代高串数AFE产品,以卓越性能提升监测精度与系统兼容性。
高精度:MP2797A
2V to 4.5V, TA=-20℃~+65℃, <±4mV,无需软件补偿,板级校准。
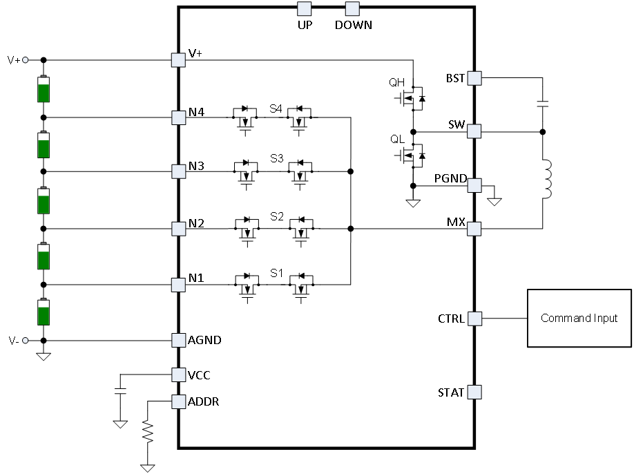
高兼容性:MP3716
4-18串,兼容更多电池节数应用;
支持高低边驱动,脱离MCU使用;
支持放电MOS软启动,节省预放电路;

MP3716,图源MPS
高集成度
小体积,高性价比主动均衡;
集成电源+数字隔离器;
高效率、低功耗高压辅源;

MP2645,图源MPS
得益于AFE的精准监测,配合MPS精心打造的小体积、高性价比主动均衡方案,再加上高性能辅源及信号隔离产品的有力支撑,方案能满足不同应用场景下对电池管理系统的严格要求。
02、直播详解方案
如果你想深入了解MPS的BMS方案,或者有相关疑惑,那5月14日19:30开始的立创直播你绝对不能错过!当晚,MPS现场应用工程师 Eddie Liu将带来《新一代高串数AFE及高性价比主动均衡方案介绍》主题演讲,Eddie Liu 将深入剖析MPS BMS方案的技术亮点和优势,并在线与大家互动!

扫码预约直播

本次直播福利同样惊喜满满,观看直播的粉丝将有机会把MPS数码包、微信红包等丰富好礼收入囊中!
01
直播主题
新一代高串数AFE及高性价比主动均衡方案介绍
02
直播内容
MPS BMS整体方案介绍
新一代高串数AFE产品介绍
小体积、高性价比的主动均衡方案
高性能辅源及信号隔离产品介绍
03
直播时间
5月14日 周三 19:30开始
04
直播嘉宾
MPS现场应用工程师 Eddie Liu
05
直播福利
微信红包2000元、MPS数码包*20个、1个月PLUS会员*8份等