我的订单购物车(0)联系客服帮助中心供应商合作嘉立创产业服务群
领券中心备货找料立推专区爆款推荐TI订货PLUS会员BOM配单PCB/SMT工业品面板定制

XLSEMI(芯龙)+XL1509-5.0E1

(DCDC降压-(3)电源输入30V以上-(2)1A~3A(中电流)方案)
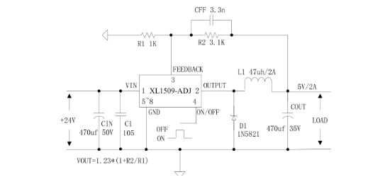
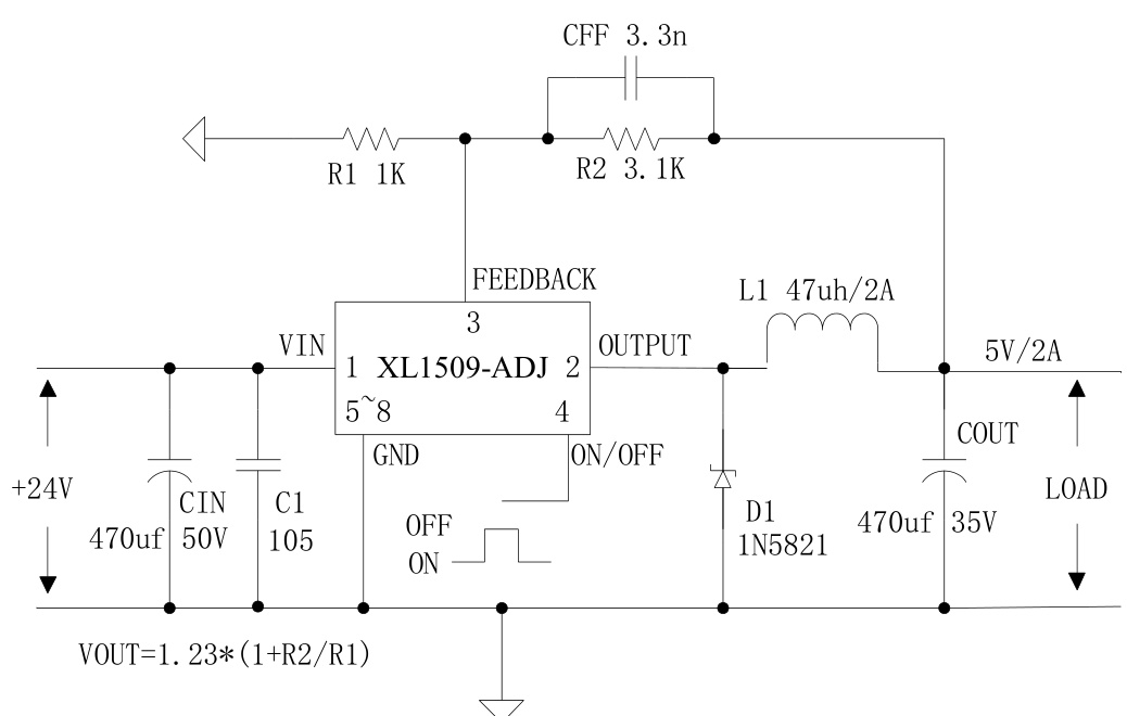
XLSEMI(芯龙)的XL1509-5.0E1系统框图
点击预览

芯片简介

XL1509是一款150KHz固定频率PWM降压DC/DC转换器,支持4.5V至40V宽输入电压范围,可提供2A恒定输出电流。其特性包括内置优化功率晶体管、100%最大占空比、内部频率补偿、固定频率振荡器、使能控制功能,并集成热关断及双重电流限制保护。提供3.3V/5V/12V/可调版本输出,具有高效率、低纹波和优异的线性/负载调节性能。

芯片特点:

输入4.5V~40V
输出2A
内置MOS
150KHz
使能

项目参考文件

方案关联商品

  • 型号/品牌/封装/类目

  • 参数/描述

  • 优惠券/标签

  • 价格梯度(含税)

  • 库存交期

  • 操作

XL1509-5.0E1
品牌
XLSEMI(芯龙)
封装
SOIC-8
类目
DC-DC电源芯片
编号
C61063
功能类型
降压型
工作电压
4.5V~40V
输出电压
5V
输出电流
2A

描述DCDC降压,电源输入30V以上,1A~3A(中电流)方案,

SMT基础库

SMT补贴嘉立创库存453K+
  • 收藏
  • 对比
  • 1.4708
  • 1.1452
  • 0.9863
  • 0.8445
  • 0.7384
  • 0.715
现货最快4小时发货
广东仓
357K+

4000/圆盘

总额0

近期成交100单+

XL1509-ADJE1
品牌
XLSEMI(芯龙)
封装
SOIC-8
类目
DC-DC电源芯片
编号
C74192
功能类型
降压型
工作电压
4.5V~40V
输出电压
1.23V~37V
输出电流
2A

描述DCDC降压,电源输入30V以上,1A~3A(中电流)方案,ADJ

SMT扩展库

SMT补贴嘉立创库存131K+
  • 收藏
  • 对比
  • 1.7471
  • 1.3842
  • 1.207
  • 1.049
  • 0.828
  • 0.802
现货最快4小时发货
广东仓
98K+
江苏仓
945

4000/圆盘

总额0

近期成交100单+