芯片简介
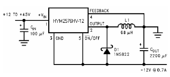
HYM2576S-12是单片集成电路的DCDC降压调节器,支持3A负载电流,具备±4%输出电压精度和宽输入电压范围(普通版3V-40V,HV版3V-60V)。内置52kHz固定频率振荡器和频率补偿电路,需外接电感、电容及续流二极管。提供过热关断、限流保护和低功耗备用模式,兼容LM2576,适用于高效率降压转换场景。
芯片特点:
输入3V~40V
输出3A
52kHz
使能
工业品
HYM2576S-12是单片集成电路的DCDC降压调节器,支持3A负载电流,具备±4%输出电压精度和宽输入电压范围(普通版3V-40V,HV版3V-60V)。内置52kHz固定频率振荡器和频率补偿电路,需外接电感、电容及续流二极管。提供过热关断、限流保护和低功耗备用模式,兼容LM2576,适用于高效率降压转换场景。
| 开源项目名称 | 开源项目介绍 |
|---|---|
| DCDC-TO263-5封装方案验证板 | PCB适用于TO263-5封装的DCDC降压芯片,由于包含型号较多,不同型号之间的参数存在差异,所以部分元件选用时需要视实际情况决定。 |
描述直流降压调节器,输出12V固定电压
SMT扩展库
50个/管
总额¥0
近期成交1单
描述直流降压调节器,输出3.3V固定电压
SMT扩展库
50个/管
总额¥0
描述直流降压调节器,输出5V固定电压
SMT扩展库
50个/管
总额¥0
近期成交1单
描述直流降压调节器,可调输出电压范围为1.23V~37V(对于HV版本57V)±4%
SMT扩展库
50个/管
总额¥0
描述PCB空板 PCB适用于TO263-5封装的DCDC降压芯片,由于包含型号较多,不同型号之间的参数存在差异,所以部分元件选用时需要视实际情况决定。
1个/袋
总额¥0
近期成交2单