芯片简介
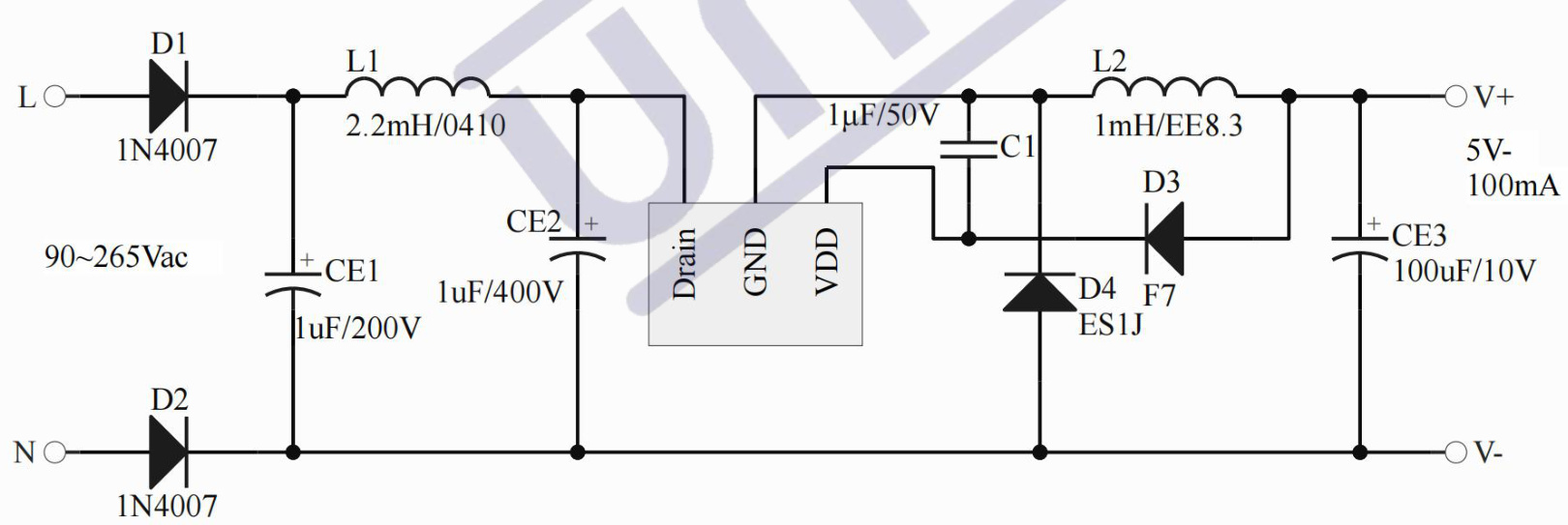
U831B是一款非隔离型、高集成度且低成本的PWM功率开关,适用于降压型和升降压型电路。集成500V高压MOSFET和控制器,支持超低压输入(15V以上),默认5V高精度输出。内部包含开关式峰值电流模式控制、前沿消隐电路及多重保护功能(过载、过热、短路保护),待机功耗低于50mW。采用SOT23-3L/TO-92封装,适用于小家电电源辅助电源。
芯片特点:
输入15V以上
输出0.15A
内置MOS
软启动
工业品
U831B是一款非隔离型、高集成度且低成本的PWM功率开关,适用于降压型和升降压型电路。集成500V高压MOSFET和控制器,支持超低压输入(15V以上),默认5V高精度输出。内部包含开关式峰值电流模式控制、前沿消隐电路及多重保护功能(过载、过热、短路保护),待机功耗低于50mW。采用SOT23-3L/TO-92封装,适用于小家电电源辅助电源。
描述U831X是一款非隔离型、高集成度且低成本的PWM功率开关,适用于降压型和升降压型电路。集成500V高压MOSFET和高压启动电路,支持超低压输入(15V以上)应用。集成采样电阻,超低系统成本。支持降压和升降压电路,开关式峰值电流模式控制,超低待机功耗小于50mW,超低工作电流,支持小VDD电容。集成软启动电路,集成式保护功能包括过载保护、过热保护、逐周期电流限制、异常过流保护和前沿消隐。
RoHSSMT扩展库
2500个/圆盘
总额¥0
近期成交15单