芯片简介
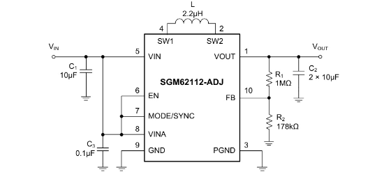
SGM62112是一款全集成同步Buck-Boost转换器,支持1.8V至5.5V输入电压范围,输出电压可调(1.2V~5.5V),效率高达96%。采用电流模式控制,具备自动PFM/强制PWM模式切换、外部时钟同步、真正负载关断功能。集成过流保护、热关断保护和软启动,峰值开关电流限制为2.4A。内部包含控制电路、驱动电路、反馈网络及保护模块,适用于电池供电设备。
芯片特点:
输入1.8V~5.5V
输出1.2A/0.8A
内置MOS
1.4MHz
使能
软启动
工业品
SGM62112是一款全集成同步Buck-Boost转换器,支持1.8V至5.5V输入电压范围,输出电压可调(1.2V~5.5V),效率高达96%。采用电流模式控制,具备自动PFM/强制PWM模式切换、外部时钟同步、真正负载关断功能。集成过流保护、热关断保护和软启动,峰值开关电流限制为2.4A。内部包含控制电路、驱动电路、反馈网络及保护模块,适用于电池供电设备。
SMT扩展库
4000个/圆盘
总额¥0
近期成交1单