芯片简介
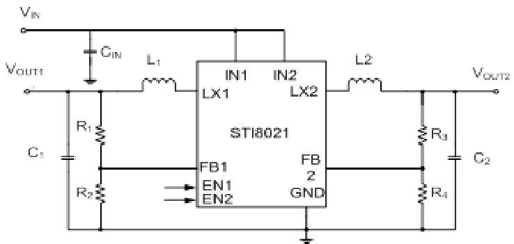
STI8021是一款1.5MHz固定频率电流模式双通道同步降压转换器,输入电压范围为2.3V至6V,每通道提供1.2A输出电流,输出电压可低至0.6V。内部集成MOSFET,采用PWM和PFM控制模式以优化不同负载下的效率,支持100%占空比低压差运行。特性包括短路保护、热故障保护、输入过压保护、浪涌电流限制及软启动功能,适用于便携设备电源管理。
芯片特点:
输入2.3V~6V
输出1.2A
内置MOS
1.5MHz
使能
软启动
双路输出

STI8021是一款1.5MHz固定频率电流模式双通道同步降压转换器,输入电压范围为2.3V至6V,每通道提供1.2A输出电流,输出电压可低至0.6V。内部集成MOSFET,采用PWM和PFM控制模式以优化不同负载下的效率,支持100%占空比低压差运行。特性包括短路保护、热故障保护、输入过压保护、浪涌电流限制及软启动功能,适用于便携设备电源管理。