芯片简介
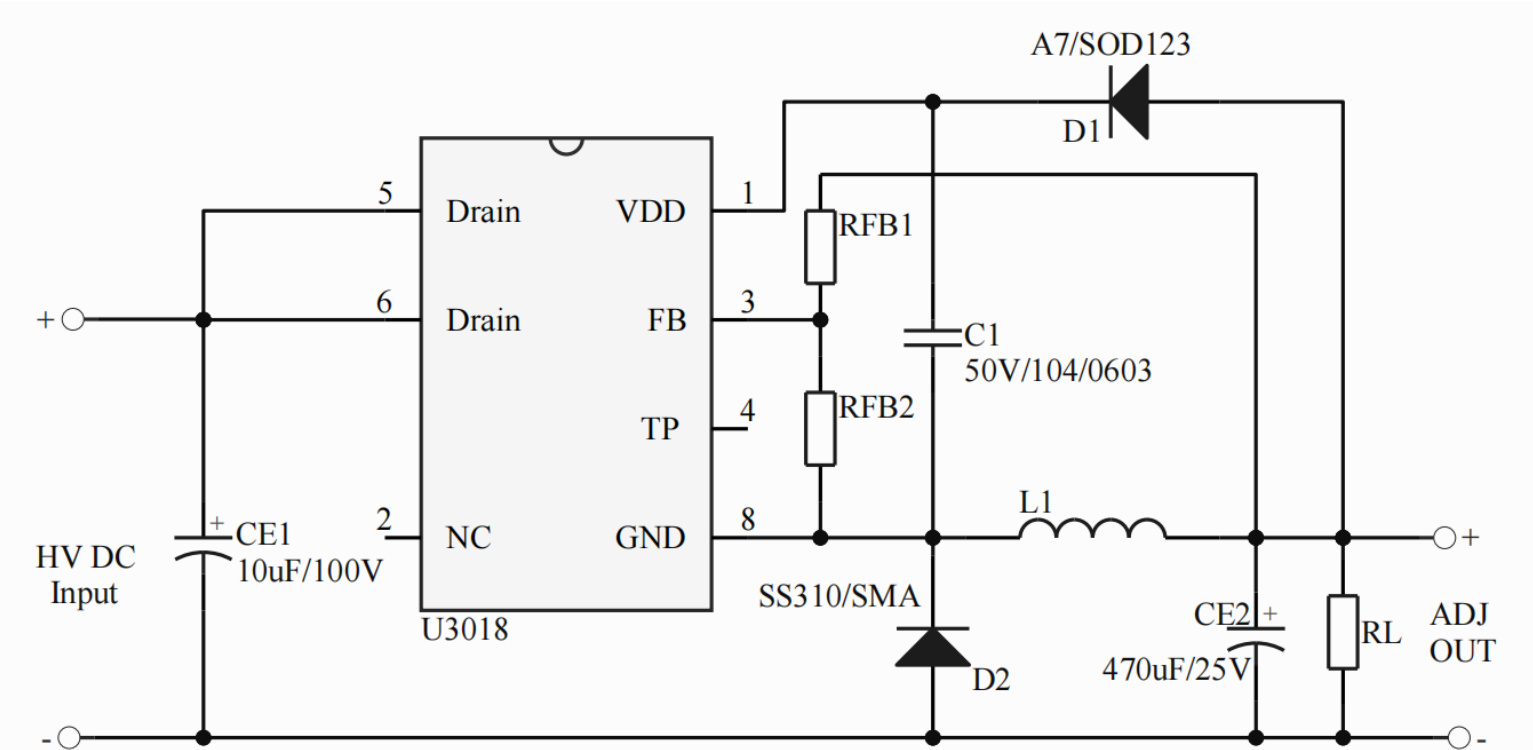
U3018(D)是一款集成高压启动电路和多模式PWM控制的功率开关,支持降压和升降压拓扑,适用于小功率应用。内置180VMOSFET、200V高压启动单元,具备多模式控制以消除噪音,默认输出14.3V。集成软启动及多种保护功能,包括过压、欠压、过热和过载保护,待机功耗低于50mW。
芯片特点:
输入18V~180V
输出550mA~600mA
内置MOS
软启动
工业品
U3018(D)是一款集成高压启动电路和多模式PWM控制的功率开关,支持降压和升降压拓扑,适用于小功率应用。内置180VMOSFET、200V高压启动单元,具备多模式控制以消除噪音,默认输出14.3V。集成软启动及多种保护功能,包括过压、欠压、过热和过载保护,待机功耗低于50mW。
描述U3018(D)是一款高性能低成本PWM控制功率器,适用于离线式小功率降压型应用场合。集成2.5A 180V MOSFET,外围电路简单、器件个数少。支持降压和升降压拓扑,内部无固定时钟驱动MOSFET,系统开关频率随负载变化可实现自动调节。集成多种保护功能,如过载保护、逐周期电流限制、输出过压保护等。
RoHSSMT扩展库
4000个/圆盘
总额¥0
近期成交100单+